2.0 Tonne Hook & Tow Jib
SKU: MHE2430
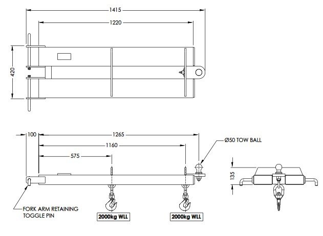
2000kg zinc plated hook and tow jib is suitable for most forklifts and is a simple slip-on attachment with safety chain and swivel hook as pictured.
Safe Working Load: 2000kg at 1160mm load centre
Fork Pocket Size: 140mm x 65mm
Fork Pocket Centres: 250mm
Fork Pocket Length: 1220mm
Unit Weight: 45kg
Maximum weight on towball must not exceed 500kg
Hook Jib has 2 lifting positions
Overall dimensions: 1410mm x 420mm x 140mm (LxWxH)

(MHE2430)
| SKU | MHE2430 |
| Unit Of Measure | ea |